ENVIRONMENTAL
天然氣管理
天然氣管理
南光化學製藥針對天然氣管理,以汰換重油鍋爐採天然氣鍋爐,及導入閃發蒸汽回收。


2024年保溫材汰舊換新前後。


導入BOSCH 天然氣鍋爐並進行尾氣熱能回收用以加熱飼水,運轉數據可視化監控。


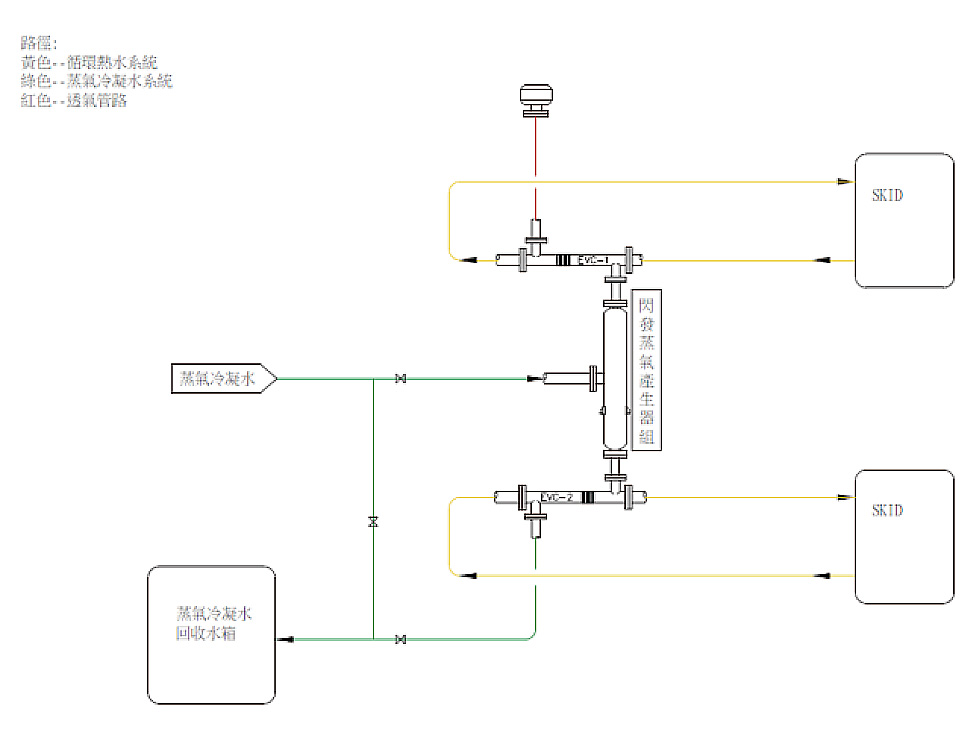
導入閃發蒸汽回收系統,將逸散的熱能回收至空調熱水減少天然氣使用量


新增及加強更新管路及設備保溫,導入却水器定期量測抓漏機制
節能節水得獎相關紀錄


節能標竿金獎


節水績優產業組優等獎


舉辦節能觀摩研討會